Zu Inhalt springen
Versandkosten innerhalb Deutschlands ab 5,90 € / ab 99 € kostenfrei | Willkommen bei Filafarm - 3D-Druck seit 2014 | Click and Collect möglich in Berlin | Öffnungszeiten Montag - Freitag 10-15 Uhr |
Ihr Warenkorb

Ihr Warenkorb ist leer

Weiter einkaufen

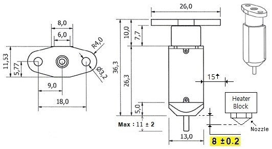
BLTouch-Smart

von Antclabs
SKU:
ANTC-BL-TO-SM
EAN:
4060255008882

Beschreibung


Durch die immer größer werdende Auswahl an Filamenten und dem steigenden Bedarf an Druckoberflächen werden die Ansprüche an gängige Autobedlevel Sensoren immer komplexer. 
BLTouch-Smart wird diesen Ansprüchen als erster Sensor gerecht.  Der BLTouch-Smart ist ein Plug&Play Autobedlevel Sensor auf Open Source Basis und mit allen Druckbettoberflächen kompatibel. Ganz egal ob Glas, Aluminium oder eine unserer Dauerdruckbetten und -Platten. 
BLTouch-Smart levelt Ihren 3D-Drucker hochpräzise und sorgt für ein bequemes 3D-Drucken. 

Spezifikationen

  • Genauigkeit =< 0.01mm
  • Spannung 4,8-5,1V
  • Stromstärke 15mA / max peak: 300mA
  • Z Probe Output: Logic Free (Open Drain : default) oder 5V. 
  • Farbe Semitransparent - weiss 
  • Kabellänge 150mm +-5mm
  • Pushpin: Polycarbonat (PC)
  • Gewicht 10g
    • 3Pin: braun (-,GND) rot (+5V) orange (Kontrol Signal)  
    • 2Pin Schwarz (-,GND) weiss (Zmin)

Download Anleitung (engl.)

 

Kundenbewertungen

Basierend auf 1 Bewertung Schreiben Sie eine Bewertung

Frage zum Produkt